

SN65HVD11-HT是TI公司的一款无产品,SN65HVD11-HT是高温 3.3V RS-485 收发器,本页介绍了SN65HVD11-HT的产品说明、应用、特性等,并给出了与SN65HVD11-HT相关的TI元器件型号供参考。
SN65HVD11-HT - 高温 3.3V RS-485 收发器 - 无 - RS-485收发器 - TI公司(Texas Instruments,德州仪器)
- Operates With a 3.3-V Supply
- Bus-Pin ESD Protection Exceeds 16-kV Human-Body Model (HBM)
- 1/8 Unit-Load Option Available (up to 256 Nodes on Bus)
- Optional Driver Output Transition Times for Signaling Rates (1) of 1 Mbps, 10 Mbps, and 32 Mbps
- Based on ANSI TIA/EIA-485-A
- Bus-Pin Short Circuit Protection From –7 V to 12 V
- Open-Circuit, Idle-Bus, and Shorted-Bus Fail-Safe Receiver
- Glitch-Free Power-Up and Power-Down Protection for Hot-Plugging Applications
- SN75176 Footprint
- Supports Extreme Temperature Applications:
- Controlled Baselines
- One Assembly and Test Sites
- One Fabrication Sites
- Available in Extreme (–55°C/210°C) Temperature Range (2)
- Extended Product Life Cycles
- Extended Product-Change Notifications
- Product Traceability
- Texas Instruments' High Temperature Products Use Highly Optimized Silicon (Die) Solutions With Design and Process Enhancements to Maximize Performance Over Extended Temperatures.
- Down-Hole Drilling
- High Temperature Environments
- Digital Motor Controls
- Utility Meters
- Chassis-to-Chassis Interconnects
- Electronic Security Stations
- Industrial Process Controls
- Building Automation
- Point-of-Sale (POS) Terminals and Networks
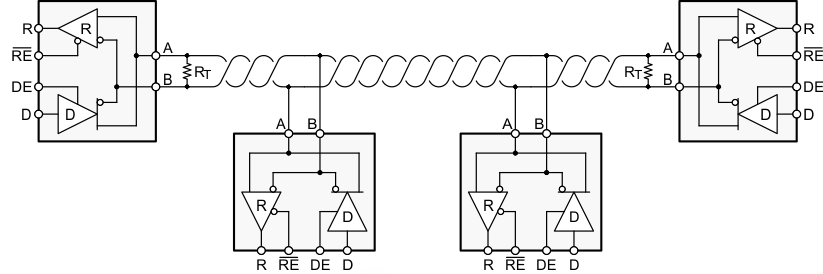
The SN65HVD11-HT device combines a 3-state differential line driver and differential input line receiver that operates with a single 3.3-V power supply. It is designed for balanced transmission lines and meets or exceeds ANSI TIA/EIA-485-A and ISO 8482:1993, with the exception that the thermal shutdown is removed. This differential bus transceiver is a monolithic integrated circuit designed for bidirectional data communication on multipoint bus-transmission lines. The driver and receiver have active-high and active-low enables, respectively, that can be externally connected together to function as direction control.
The driver differential outputs and receiver differential inputs connect internally to form a differential input/ output (I/O) bus port that is designed to offer minimum loading to the bus when the driver is disabled or VCC = 0.
| PART NUMBER | PACKAGE | BODY SIZE (NOM) |
|---|---|---|
| SN65HVD11-HT | SOIC (8) | 4.90 mm × 3.91 mm |
| CFP (8) (2) | 6.90 mm × 5.65 mm | |
| CFP (8) (3) | 6.90 mm × 5.65 mm | |
| CDIP SB (8) | 11.81 mm × 7.49 mm |








