

SN74LVCH16373A - 具有三态输出的 16 位透明 D 类锁存器
SN74LVCH16373A是TI公司的一款D类锁存器产品,SN74LVCH16373A是具有三态输出的 16 位透明 D 类锁存器,本页介绍了SN74LVCH16373A的产品说明、应用、特性等,并给出了与SN74LVCH16373A相关的TI元器件型号供参考。
SN74LVCH16373A - 具有三态输出的 16 位透明 D 类锁存器 - D类锁存器 - 触发器/锁存器/寄存器 - TI公司(Texas Instruments,德州仪器)
产品特性
- Member of the Texas Instruments Widebus™ Family
- Typical VOLP (Output Ground Bounce) < 0.8 V at VCC = 3.3 V, TA = 25°C
- Typical VOHV (Output VOH Undershoot) > 2 V at VCC = 3.3 V, TA = 25°C
- Ioff Supports Live Insertion, Partial-Power-Down Mode, and Back-Drive Protection
- Supports Mixed-Mode Signal Operation (5-V Input and Output Voltages With 3.3-V VCC)
- Bus Hold on Data Inputs Eliminates the Need for External Pull-up or Pull-down Resistors
- Latch-Up Performance Exceeds 250 mA Per JESD 17
- ESD Protection Exceeds JESD 22
- 2000-V Human-Body Model (A114-A)
- 200-V Machine Model (A115-A)
产品应用
- Wearable Health and Fitness Devices
- Toys
- Power Infrastructures
- Servers
产品说明
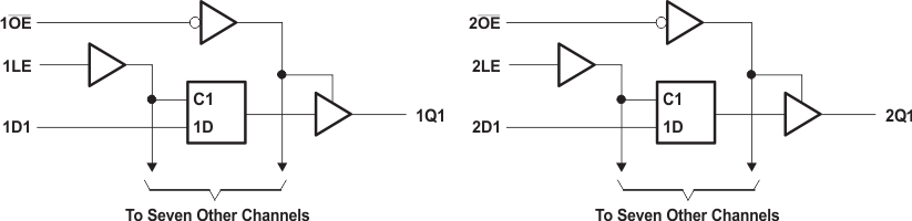
This 16-bit transparent D-type latch is designed for 1.65-V to 3.6-V VCC operation.
产品器件信息
| PART NUMBER | PACKAGE | BODY SIZE (NOM) |
|---|---|---|
| SN74LVCH16373A | SSOP (48) | 15.80 mm × 7.50 mm |
| TSSOP (48) | 12.50 mm × 6.10 mm | |
| TVSOP (48) | 9.70 mm × 4.40 mm |
下面可能是您感兴趣的TI公司D类锁存器元器件


TI公司产品现货专家,订购TI公司产品不限最低起订量,TI产品大陆现货即时发货,香港库存3-5天发货,海外库存7-10天发货
寻找全球TI代理商现货货源 - TI公司(德州仪器)电子元件在线订购






