

TPD4E001-Q1是TI公司的一款汽车类ESD保护产品,TPD4E001-Q1是用于高速数据接口的汽车低电容四通道 +/-15 kV ESD 保护阵列,本页介绍了TPD4E001-Q1的产品说明、应用、特性等,并给出了与TPD4E001-Q1相关的TI元器件型号供参考。
TPD4E001-Q1 - 用于高速数据接口的汽车低电容四通道 +/-15 kV ESD 保护阵列 - 汽车类ESD保护 - ESD保护二极管 - TI公司(Texas Instruments,德州仪器)
- AEC-Q100 Qualified With the Following Results:
- Device Temperature Grade 1: –40°C to 125°C Ambient Operating Temperature Range
- Device HBM ESD Classification Level 3B
- HBM Level 15 kV
- Device CDM ESD Classification Level C5
- IEC 61000-4-2 Level 4 ESD Protection
- ±8-kV Contact Discharge
- ±15-kV Air-Gap Discharge
- IEC 61000-4-5 Surge Protection
- 5.5 A (8/20 µs)
- Low 1.5-pF Input Capacitance
- Low 10-nA Maximum Leakage Current
- 0.9-V to 5.5-V Supply Voltage Range
- End Equipment
- Automotive Head Unit
- Automotive Rear Seat Entertainment
- Automotive Rear Camera Systems
- Interfaces
- USB 2.0
- Ethernet
- Precision Analog Interfaces
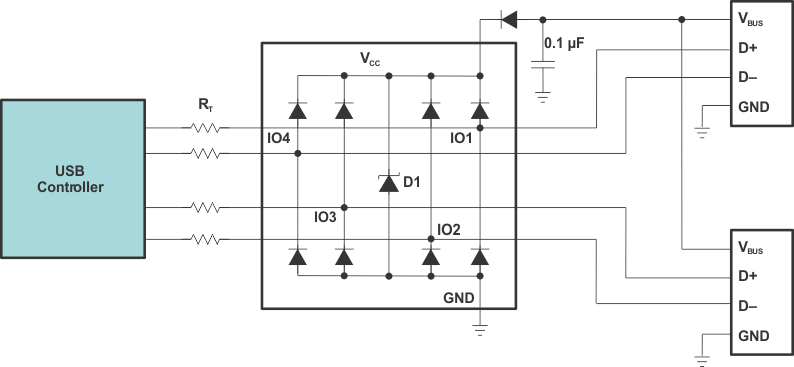
The TPD4E001-Q1 device is a low-capacitance TVS diode array designed for ESD protection in sensitive electronics connected to communication lines. Each channel consists of a pair of transient-voltage-suppression diodes that steer ESD pulses to VCC or GND. The TPD4E001-Q1 protects against ESD events up to ±8-kV contact discharge and ±15-kV air-gap discharge, as specified in IEC 61000-4-2 international standard. This device has a low capacitance of 1.5-pF per channel making it ideal for use in high-speed data interfaces. The low leakage current (10 nA maximum) ensures minimum power consumption for the system and high accuracy for analog interfaces.
Additionally, this device is ideal for protecting automotive head units, automotive rear seat entertainment, and automotive rear camera systems that use USB 2.0, Ethernet, or precision analog interfaces.
| PART NUMBER | PACKAGE | BODY SIZE (NOM) |
|---|---|---|
| TPD4E001-Q1 | SOT-23 (6) | 2.90 mm × 1.60 mm |








