

TPS25942A - 具有集成阻断 FET 的 2.7V-18V 熔丝
TPS25942A是TI公司的一款eFuses(集成FET)产品,TPS25942A是具有集成阻断 FET 的 2.7V-18V 熔丝,本页介绍了TPS25942A的产品说明、应用、特性等,并给出了与TPS25942A相关的TI元器件型号供参考。
TPS25942A - 具有集成阻断 FET 的 2.7V-18V 熔丝 - eFuses(集成FET) - 保护、监控和热插拔 - TI公司(Texas Instruments,德州仪器)
产品特性
- 2.7V - 18V 工作电压,最大绝对值 20V
- 42mΩ RON(典型值)
- 0.6A 至 5.3A 可调电流限值 (±8%)
- IMON 电流指示器输出 (±8%)
- 运行时,200µA IQ(典型值)
- 被禁用时,15µA IQ(典型值)
- ±2% 过压、欠压阀值
- 反向电流阻断
- 1µs 反向电压关闭
- 可编程 dVo/dt 控制
- 电源正常和故障输出
- 两个过流故障响应选项
- TPS25942:热关断时的 I(LIMIT)
- TPS25944:4ms 故障定时器,然后关闭
- -40°C 至 125°C 的结温范围
- UL2367 认证正在处理中
- 单点故障期间,UL60950 安全
2 应用范围
- 电源路径管理
- 冗余电源系统
- PCIe 卡、网络接口卡 (NIC) 和 RAID 系统
- USB 移动电源、电源 MUX
- 固态硬盘 (SSD) 和硬盘 (HDD)
- 平板电脑和笔记本电脑
- 电源适配器器件
- 可编程逻辑控制器 (PLC),SS 中继和风扇控制
产品说明
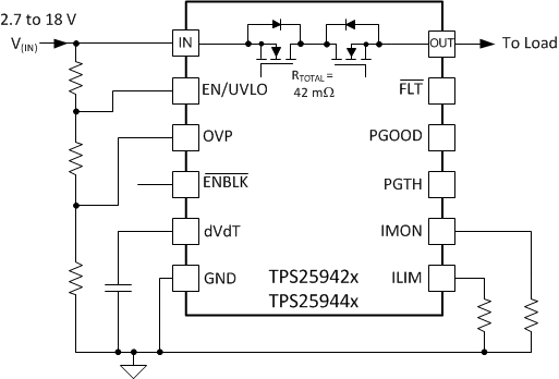
TPS25942,TPS25944 eFuse 电源 MUX 是一款紧凑且特性丰富的电源管理器件,此器件具有一整套的保护功能。 宽工作范围可实现对很多常用直流总线电压的控制。 集成背靠背场效应晶体管 (FET) 提供双向电流控制,从而使得此器件非常适合于电源复用和具有多个电源的系统。
负载、电源和器件保护与很多可编程特性一同提供。 为了满足特定的系统要求,可设定针对欠压,过压,过流,dVo/dt 斜率,电源正常和涌入电流保护的阀值。 为了实现系统状态监视和下游负载控制,此器件提供 PGOOD,FLT 和精确地电流监视输出。
TPS25942,TPS25944 监视 V(IN) 和 V(OUT),以便在 V(IN) < (VOUT - 10mV) 时提供真正的反向阻断。 通过 FLT 和 ENBLK 引脚,此器件可被配置为分配主/辅电源优先级。
产品器件信息
| 产品型号(2) | 封装 | 封装尺寸(标称值) |
|---|---|---|
| TPS25942L | 超薄四方扁平无引线 (WQFN) (20) | 3.00mm x 4.00mm |
| TPS25942A | ||
| TPS25944L(3) | ||
| TPS25944A(3) |
下面可能是您感兴趣的TI公司eFuses(集成FET)元器件


TI公司产品现货专家,订购TI公司产品不限最低起订量,TI产品大陆现货即时发货,香港库存3-5天发货,海外库存7-10天发货
寻找全球TI代理商现货货源 - TI公司(德州仪器)电子元件在线订购







