

TPS27081A是TI公司的一款配电与蓄电产品,TPS27081A是8V、3A P 沟道高端负载开关,具有电平位移和压摆率控制,本页介绍了TPS27081A的产品说明、应用、特性等,并给出了与TPS27081A相关的TI元器件型号供参考。
TPS27081A - 8V、3A P 沟道高端负载开关,具有电平位移和压摆率控制 - 配电与蓄电 - 集成负载开关 - TI公司(Texas Instruments,德州仪器)
- Low ON-Resistance, High-Current PFET
- RDS(on) = 32 mΩ at VGS = –4.5 V
- RDS(on) = 44 mΩ at VGS = –3 V
- RDS(on) = 82 mΩ at VGS = –1.8 V
- RDS(on) = 93 mΩ at VGS = –1.5 V
- RDS(on) = 155 mΩ at VGS = –1.2 V
- Adjustable Turnon and Turnoff Slew Rate Control Through External R1, R2, and C1
- Supports a Wide Range of 1.2-V to 8-V Supply Inputs
- Integrated NMOS for PFET Control
- NMOS ON/OFF Supports a Wide Range of 1-V to 8-V Control Logic Interface
- Full ESD Protection (All Pins)
- HBM 2 kV, CDM 500 V
- Ultra-Low Leakage Current in Standby (Typical 100 nA)
- Available in Tiny 6-Pin Package
- 2.9 mm × 2.8 mm × 0.75 mm SOT (DDC)
- High-Side Load Switches
- Inrush Current Control
- Power Sequencing and Control
- Standby Power Isolation
- Portable Power Switches
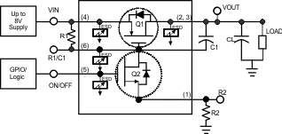
The TPS27081A device is a high-side load switch that integrates a Power PFET and a Control NFET in a tiny package.
The TPS27081A features industry-standard ESD protection on all pins providing better ESD compatibility with other onboard components.
The TPS27081A level shifts ON/OFF logic signal to VIN levels and supports as low as 1-V CPU or MCU logic to control higher voltage power supplies without requiring an external level-shifter.
Switching a large value output capacitor CL through a fast ON/OFF logic signal may result in an excessive inrush current. To control the load inrush current, connect a resistor R2 and add an external capacitor C1 as shown in the Simplified Schematic. To configure the TPS27081A to achieve a specific slew rate, refer to the Application and Implementation section.
A single pullup resistor R1 is required in standby power switch applications. In such applications connect the R2 pin of the TPS27081A to the system ground when inrush current control is not required.
| PART NUMBER | PACKAGE | BODY SIZE (NOM) |
|---|---|---|
| TPS27081A | SOT (6) | 2.90 mm × 1.60 mm |








