

TPS657095 - 嵌入式摄像机模块 PMIC。
TPS657095是TI公司的一款无产品,TPS657095是嵌入式摄像机模块 PMIC。,本页介绍了TPS657095的产品说明、应用、特性等,并给出了与TPS657095相关的TI元器件型号供参考。
TPS657095 - 嵌入式摄像机模块 PMIC。 - 无 - 电源管理多通道IC(PMIC)解决方案 - TI公司(Texas Instruments,德州仪器)
产品特性
- 2 个 100mA 低压降稳压器 (LDO)
- 输出电压精度为 ±1.5%
- VIN 范围为 3.7V 至 6V
- 具有 PWM 调光功能的 LED 驱动器
- 1 GPO
- 1 个 GPIO
- I2C™ 接口
- 4KB 用户一次性可编程 (OTP) 存储器
- 采用 16 焊球 0.4mm 间距芯片尺寸球栅阵列封装 (DSBGA)
产品应用
- 笔记本电脑
- 可拆卸平板电脑
- 平板电脑
- 监视器
- 智能手机
产品说明
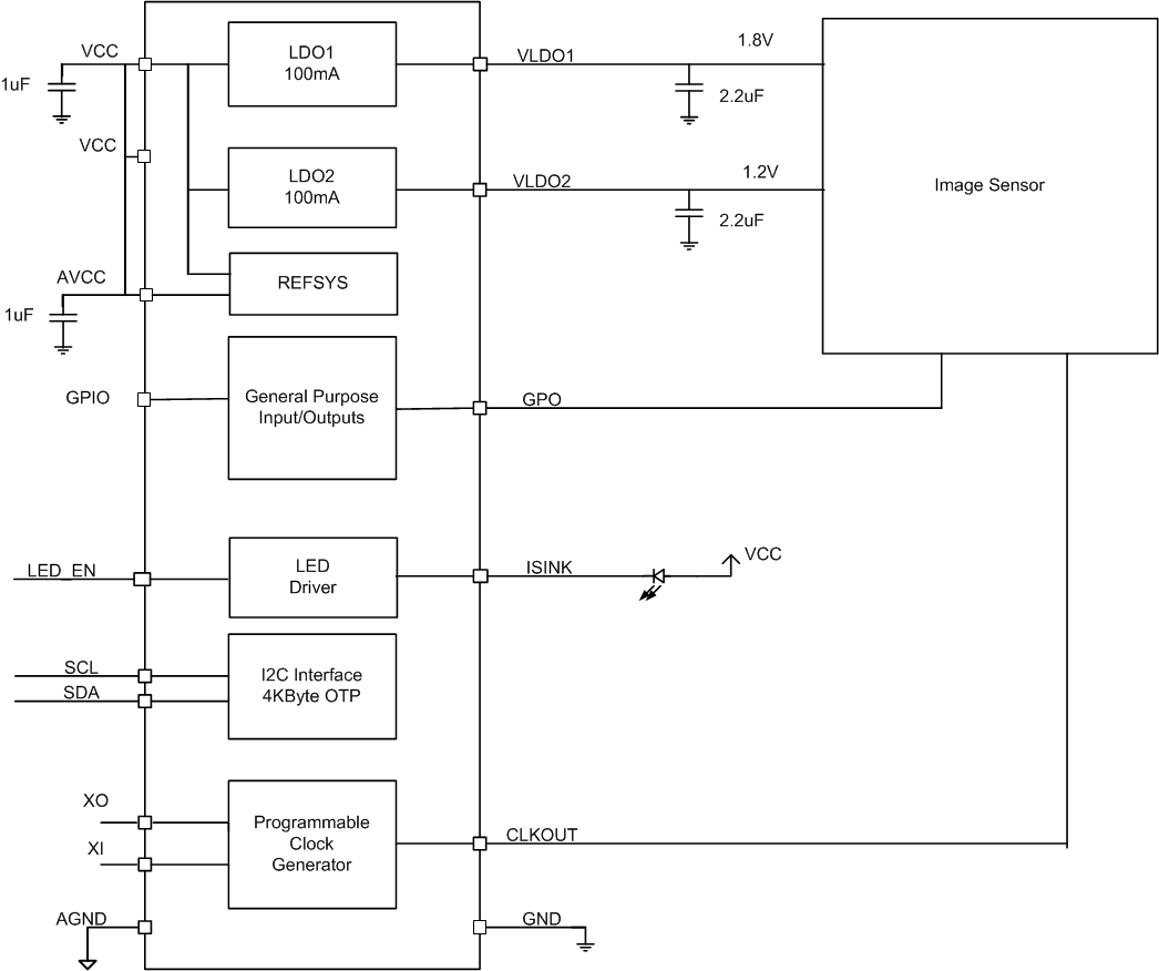
TPS657095 是面向嵌入式摄像头模块或其他便携式低功耗消费类终端设备的电源管理单元。 其包含两个由 I2C™ 接口使能的 LDO、一个用于驱动单个发光二极管 (LED) 的脉宽调制 (PWM) 可调光电流阱、一个通用输出 (GPO)、一个可编程时钟发生器和 4KB 的用户 OTP 存储器。 如果输入电压电源低于内部欠压锁定值,则该器件将被禁止运行。
此器件采用 16 焊球芯片尺寸球栅阵列封装 (DSBGA),焊球间距为 0.4mm。
产品器件信息
| 器件型号 | 封装 | 封装尺寸(标称值) |
|---|---|---|
| TPS657095 | DSBGA (16) | 1.70mm x 1.70mm |
下面可能是您感兴趣的TI公司无元器件


TI公司产品现货专家,订购TI公司产品不限最低起订量,TI产品大陆现货即时发货,香港库存3-5天发货,海外库存7-10天发货
寻找全球TI代理商现货货源 - TI公司(德州仪器)电子元件在线订购






