

ADC0803-N是TI公司的一款精密ADC(<=10MSPS)产品,ADC0803-N是兼容 8 位 μP 的 A/D 转换器,本页介绍了ADC0803-N的产品说明、应用、特性等,并给出了与ADC0803-N相关的TI元器件型号供参考。
ADC0803-N - 兼容 8 位 μP 的 A/D 转换器 - 精密ADC(<=10MSPS) - 模数转换器 - TI公司(Texas Instruments,德州仪器)
- Compatible With 8080-µP Derivatives – No Interfacing Logic Needed – Access Time 135 ns
- Easy Interface to All Microprocessors, or Operates as a Stand-Alone Deivce
- Differential Analog Voltage Inputs
- Logic Inputs and Outputs Meet Both MOS and TTL Voltage-Level Specifications
- Works With 2.5-V (LM336) Voltage Reference
- On-Chip Clock Generator
- 0-V to 5-V Analog Input Voltage Range With Single 5-V Supply
- No Zero Adjust Required
- 0.3-Inch Standard Width 20-Pin DIP Package
- 20-Pin Molded Chip Carrier or Small Outline Package
- Operates Ratiometrically or With 5 VDC, 2.5 VDC, or Analog Span Adjusted Voltage Reference
- Key Specifications
- Resolution: 8 Bits
- Total Error: ±1/4 LSB, ±1/2 LSB and ±1 LSB
- Conversion Time: 100 µs
- Operates With Any 8-Bit µP Processors or as a Stand-Alone Device
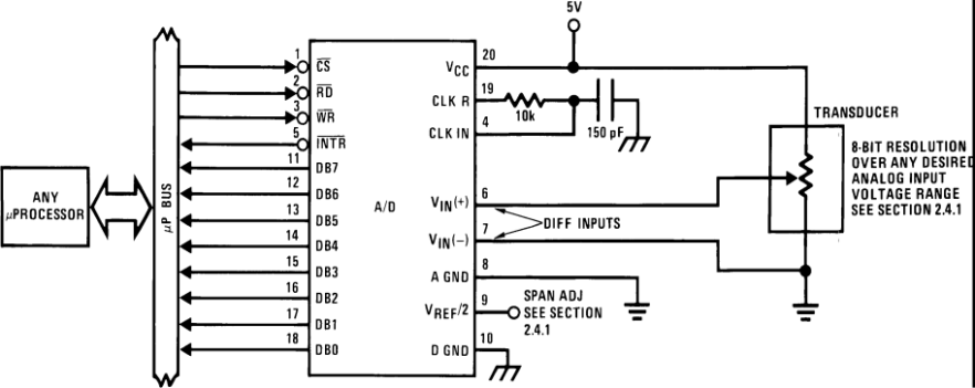
- Interface to Temp Sensors, Voltage Sources, and Transducers
The ADC0801, ADC0802, ADC0803, ADC0804, and ADC0805 devices are CMOS 8-bit successive approximation converters (ADC) that use a differential potentiometric ladder — similar to the 256R products. These converters are designed to allow operation with the NSC800 and INS8080A derivative control bus with Tri-state output latches directly driving the data bus. These ADCs appear like memory locations or I/O ports to the microprocessor and no interfacing logic is needed.
Differential analog voltage inputs allow increasing the common-mode rejection and offsetting the analog zero input voltage value. In addition, the voltage reference input can be adjusted to allow encoding any smaller analog voltage span to the full 8 bits of resolution.
| PART NUMBER | PACKAGE | BODY SIZE (NOM) |
|---|---|---|
| ADC0801, ADC0803 | PDIP (20) | 26.073 mm × 6.604 mm |
| ADC0802, ADC0804 | PDIP (20) | 26.073 mm × 6.604 mm |
| SOIC (20) | 12.80 mm × 7.50 mm |









