

ADS1263 - 具有 PGA、内部参考和辅助 ADC 的高分辨率、32 位、38 kSPS ADC
ADS1263是TI公司的一款精密ADC(<=10MSPS)产品,ADS1263是具有 PGA、内部参考和辅助 ADC 的高分辨率、32 位、38 kSPS ADC,本页介绍了ADS1263的产品说明、应用、特性等,并给出了与ADS1263相关的TI元器件型号供参考。
ADS1263 - 具有 PGA、内部参考和辅助 ADC 的高分辨率、32 位、38 kSPS ADC - 精密ADC(<=10MSPS) - 模数转换器 - TI公司(Texas Instruments,德州仪器)
产品特性
- 32 位精密 ΔΣ ADC
- 24 位辅助 ΔΣ ADC (ADS1263)
- 数据传输速率:2.5SPS 至 38400SPS
- 差分输入,CMOS PGA
- 11 个多功能模拟输入
- 高精度架构
- 偏移漂移:1nV/°C
- 增益漂移:0.5ppm/°C
- 噪声:7 nVrms(2.5SPS,增益 = 32)
- 线性度:3ppm
- 2.5V 内部电压基准
- 温度漂移:2ppm/°C
- 50Hz 和 60Hz 干扰抑制
- 单周期稳定转换
- 双传感器激励电流源
- 内部故障监视器
- 内部 ADC 测试信号
- 8 个通用输入/输出
产品应用
- 高分辨率可编程逻辑控制器 (PLC)
- 温度、压力测量
- 秤重天平和应力计数字转换器
- 面板仪表、图表记录器
- 分析仪器
产品说明
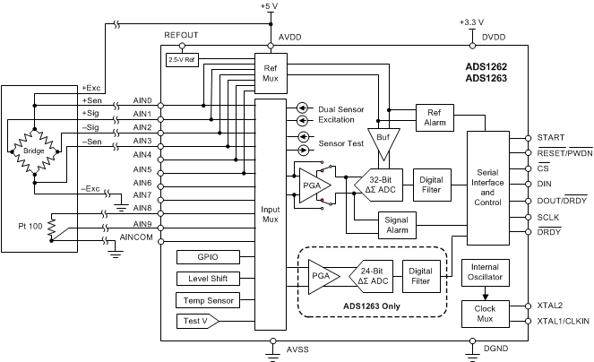
ADS1262 和 ADS1263 是具有集成 PGA、电压基准和内部故障监视器的低噪声、低漂移、38.4kSPS、Δ-Σ (ΔΣ) ADC。 ADS1263 集成有一个 24 位辅助 ΔΣ ADC,专用于后台测量。 传感器就绪型 (sensor-ready) ADC 提供了一套完备的高精度、单芯片测量解决方案,可满足大多数传感器应用的需求,其中包括秤重天平、应力计传感器、热电偶和电阻式温度器件 (RTD)。
ADC 由低噪声 CMOS PGA(增益范围为 1 至 32)、ΔΣ 调制器以及可编程数字滤波器组成。 模拟前端 (AFE) 非常灵活,其包含两个传感器激励电流源,非常适合直接 RTD 测量。
单周期稳定数字滤波器可最大限度提高多输入转换吞吐量,同时能够为 50Hz 和 60Hz 的线路周期干扰提供 130dB 抑制。
ADS1262 与 ADS1263 的引脚和功能彼此兼容。 这两款器件均采用 28 引脚薄型小外形尺寸 (TSSOP) 封装,并且均在 –40°C 至 +125°C 温度范围内完全额定运行。
产品器件信息
| 器件型号 | 封装 | 封装尺寸(标称值) |
|---|---|---|
| ADS1262 | TSSOP (28) | 9.70mm x 4.40mm |
| ADS1263(2) |
下面可能是您感兴趣的TI公司精密ADC(<=10MSPS)元器件


TI公司产品现货专家,订购TI公司产品不限最低起订量,TI产品大陆现货即时发货,香港库存3-5天发货,海外库存7-10天发货
寻找全球TI代理商现货货源 - TI公司(德州仪器)电子元件在线订购







