

BQ40Z60 - bq40z60 完整多节电池管理器
BQ40Z60是TI公司的一款电池电量监测产品,BQ40Z60是bq40z60 完整多节电池管理器,本页介绍了BQ40Z60的产品说明、应用、特性等,并给出了与BQ40Z60相关的TI元器件型号供参考。
BQ40Z60 - bq40z60 完整多节电池管理器 - 电池电量监测 - 电池管理产品 - TI公司(Texas Instruments,德州仪器)
产品特性
- 全集成 2 节至 4 节串联锂离子或锂聚合物电池管理单元
- Pack+ 上的输入电压范围:2.5V 至 25V
- 电池充电器效率 > 92%
- 电池充电器工作范围:4V 至 25V
- 针对外部 N 沟道场效应晶体管 (NFET) 的电池充电器 1MHz 同步降压控制器
- 软启动,限制浪涌电流
- 外部开关限流保护
- 可编程充电
- 支持 JEITA/增强型充电模式
- 电量监测
- 用于库伦计数器的 16 位高分辨率积分器
- 16 位模数转换器 (ADC),通过 16 通道多路复用器实现电压、电流和温度的精密测量
- 同步恒流 (CC) 和 ADC 采样支持(功率转换)
- 支持两线制 SMBus v2.0 接口,工作频率选项最高可设定为 400kHz
- SHA-1 哈希消息验证码 (HMAC) 响应器,用于提高电池组安全性
- 存储在安全存储器中的分裂密钥 (Split Key) (2 × 64)
- 支持字段更新
- 模拟前端 (AFE) 保护
- 可编程电流保护
- 放电过流
- 充电短路
- 放电短路
- 可编程电流保护
- N-FET 高侧保护 FET 驱动
- 支持 4 个发光二极管 (LED)
- 负温度系数 (NTC) 热敏电阻输入
- 32 引脚紧凑型四方扁平无引脚 (QFN) 封装 (RHB)
产品应用
- 笔记本电脑、超极本、上网本、平板电脑和超便携移动个人电脑 (UMPC)
- 医疗与测试设备
- 便携式仪表
产品说明
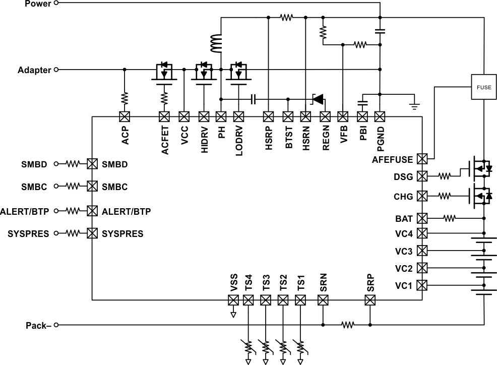
德州仪器 (TI) bq40z60 器件是一款可编程的电池管理单元,其集成有电池充电控制输出、电量监测和相关保护功能,能够完全自主地操作 2 至 4 节串联锂离子和锂聚合物电池组。 此架构在电量监测处理器与电池充电器控制器之间实现内部通信,从而在系统负载瞬变和适配器电流限制期间根据外部负载条件和电源路径来源管理来优化充电量。 可通过 NFET、电感和感测电阻等外部元件针对具体功率传输情况来调节充电电流效率。
产品器件信息
| 器件型号 | 封装 | 封装尺寸(标称值) |
|---|---|---|
| bq40z60 | VQFN (32) | 5.00mm x 5.00mm |
下面可能是您感兴趣的TI公司电池电量监测元器件


TI公司产品现货专家,订购TI公司产品不限最低起订量,TI产品大陆现货即时发货,香港库存3-5天发货,海外库存7-10天发货
寻找全球TI代理商现货货源 - TI公司(德州仪器)电子元件在线订购






