

CD54HC4053是TI公司的一款模拟多路复用器/多路解复用器产品,CD54HC4053是高速 CMOS 逻辑模拟多路复用器/多路解复用器,本页介绍了CD54HC4053的产品说明、应用、特性等,并给出了与CD54HC4053相关的TI元器件型号供参考。
CD54HC4053 - 高速 CMOS 逻辑模拟多路复用器/多路解复用器 - 模拟多路复用器/多路解复用器 - 多路复用器/多路解复用器(Mux/Demux) - TI公司(Texas Instruments,德州仪器)
- Wide Analog Input Voltage Range: ±5-V Maximum
- Low ON-Resistance
- 7-Ω Typical (VCC–VEE = 4.5 V)
- 40-Ω Typical (VCC–VEE = 9 V)
- Low Crosstalk Between Switches
- Fast Switching and Propagation Speeds
- Break-Before-Make Switching
- Wide Operating Temperature Range: –55°C to +125°C
- CD54HC and CD74HC Types
- Operation Control Voltage: 2 V to 6 V
- Switch Voltage: 0 V to 10 V
- CD54HCT and CD74HCT Types
- Operation Control Voltage: 4.5 V to 5.5 V
- Switch Voltage: 0 V to 10 V
- Direct LSTTL Input Logic Compatibility VIL = 0.8-V Max, VIH = 2-V Min
- CMOS Input Compatibility II ≤ 1 µA at VOL, VOH
- On Products Compliant to MIL-PRF-38535, All Parameters Are Tested Unless Otherwise Noted. On All Other Products, Production Processing Does Not Necessarily Include Testing of All Parameters.
- Digital Radio
- Signal Gating
- Factory Automation
- Televisions
- Appliances
- Programmable Logic Circuits
- Sensors
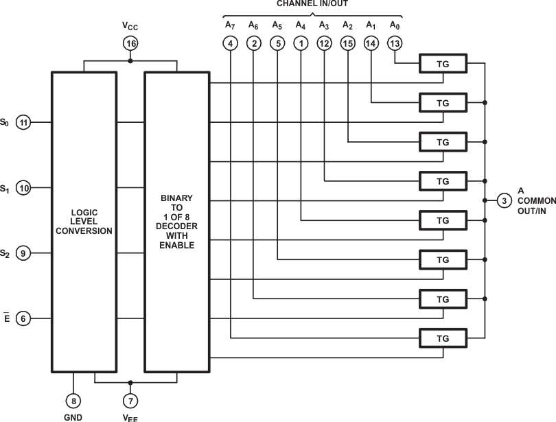
The CDx4HC405x and CDx4HCT405x devices are digitally controlled analog switches that use silicon gate CMOS technology to achieve operating speeds similar to LSTTL with the low-power consumption of standard CMOS integrated circuits.
These analog multiplexers and demultiplexers control analog voltages that may vary across the voltage supply range (for example, VCC to VEE). They are bidirectional switches that allow any analog input to be used as an output and vice versa. The switches have low ON resistance and low OFF leakages. In addition, all these devices have an enable control that, when high, disables all switches to their OFF state.
| PART NUMBER | PACKAGE | BODY SIZE (NOM) |
|---|---|---|
| CD54HCx405xF | CDIP (16) | 19.56 mm × 6.92 mm |
| CD74HCx405xE | PDIP (16) | 19.30 mm × 6.35 mm |
| CD74HCx405xM | SOIC (16) | 9.90 mm × 3.91 mm |
| CD74HCx405xNS | SOP (16) | 10.30 mm × 5.30 mm |
| CD74HCx405xPW | TSSOP (16) | 5.00 mm × 4.40 mm |








