

LM74610-Q1 - 智能二极管控制器
LM74610-Q1是TI公司的一款无产品,LM74610-Q1是智能二极管控制器,本页介绍了LM74610-Q1的产品说明、应用、特性等,并给出了与LM74610-Q1相关的TI元器件型号供参考。
LM74610-Q1 - 智能二极管控制器 - 无 - ORing和智能二极管 - TI公司(Texas Instruments,德州仪器)
产品特性
- 符合汽车应用要求
- 具有符合 AEC-Q100 的下列结果:
- 超出人体模型 (HBM) 静电放电 (ESD) 分类等级 2
- 器件充电器件模型 (CDM) ESD 分类等级 C4B
- 最低反向电压:45V
- 正极引脚无正电压限制
- 适用于外部 N 沟道金属氧化物半导体场效应晶体管 (MOSFET) 的电荷泵栅极驱动器
- 功耗比肖特基二极管/PFET 解决方案更低
- 低反极性泄漏电流
- 零 IQ
- 2µs 内快速响应反极性情况
- -40°C 至 125°C 工作环境温度
- 可用于 OR-ing 应用
- 符合 CISPR25 EMI 规范
- 选用了合适的瞬态电压抑制器 (TVS) 二极管,满足汽车类 ISO7637 瞬态要求
产品应用
- 高级驾驶员辅助系统 (ADAS)
- 信息娱乐系统
- 电动工具(工业)
- 传输控制单元 (TCU)
- 电池 OR-ing 应用
产品说明
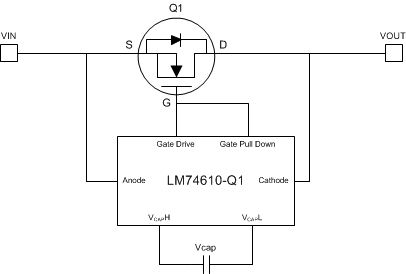
LM74610-Q1 是一款控制器器件,可与 N 沟道 MOSFET 一同用于反极性保护电路。 其设计用于驱动外部 MOSFET,串联电源时可模拟理想二极管整流器。 该机制的独特优势在于不以接地为参考,因此 Iq 为零。
LM74610-Q1 控制器为外部 N 沟道 MOSFET 提供栅极驱动,并配有快速响应内部比较器,可使 MOSFET 栅极在反极性情况下放电。 这种快速降压特性有效限制了检测到反极性时反向电流的大小和持续时间。 此外,该器件设计选用了合适的 TVS 二极管,符合 CISPR25 5 类 EMI 规范和汽车类 ISO7637 瞬态要求。
产品器件信息
| 部件号 | 封装 | 封装尺寸(标称值) |
|---|---|---|
| LM74610-Q1 | VSSOP (8) | 3.0mm x 5.0mm |
下面可能是您感兴趣的TI公司无元器件


TI公司产品现货专家,订购TI公司产品不限最低起订量,TI产品大陆现货即时发货,香港库存3-5天发货,海外库存7-10天发货
寻找全球TI代理商现货货源 - TI公司(德州仪器)电子元件在线订购






