

MSP430FR5847 - Wolverine 混合信号微控制器
MSP430FR5847是TI公司的一款超低功耗产品,MSP430FR5847是Wolverine 混合信号微控制器,本页介绍了MSP430FR5847的产品说明、应用、特性等,并给出了与MSP430FR5847相关的TI元器件型号供参考。
MSP430FR5847 - Wolverine 混合信号微控制器 - 超低功耗 - 低功耗MCU - TI公司(Texas Instruments,德州仪器)
1 器件概述
产品特性
- 嵌入式微控制器
- 时钟频率高达 16MHz 的 16 位精简指令集计算机 (RISC) 架构
- 宽电源电压范围 (1.8V 至 3.6V) (1)
- 经优化的超低功率模式
- 工作模式:大约 100µA/MHz
- 待机(具有低功率低频内部时钟源 (VLO) 的 LPM3):0.4µA(典型值)
- 实时时钟 (LPM3.5):0.25µA(典型值) (2)
- 关断 (LPM4.5):0.02µA(典型值)
- 超低功耗铁电 RAM (FRAM)
- 高达 64KB 的非易失性存储器
- 超低功耗写入
- 125ns 每个字的快速写入(4ms 内写入 64KB)
- 统一标准存储器 = 单个空间内的程序 + 数据 + 存储
- 1015 写入周期持久性
- 抗辐射和非磁性
- 智能数字外设
- 32 位硬件乘法器 (MPY)
- 3 通道内部直接存储器访问 (DMA)
- 具有日历和报警功能的实时时钟 (RTC)
- 5 个 16 位定时器,每个定时器具有多达 7 个捕捉/比较寄存器
- 16 位循环冗余校验器 (CRC)
- 高性能模拟
- 16 通道模拟比较器
- 12 位模数转换器 (ADC) 具有内部基准和采样保持 和高达 16 个外部输入通道
- 多功能输入/输出端口
- 所有引脚支持电容触摸功能,无需外部组件
- 可每位、每字节和每字访问(成对访问)
- 所有端口上,从 LPM 中的边沿可选唤醒
- 所有端口上可编程上拉和下拉
- 代码安全性和加密
- 针对随机数生成算法的随机数种子
- 增强型串行通信
- eUSCI_A0 和 eUSCI_A1 支持
- 支持自动波特率侦测的通用异步收发器 (UART)
- IrDA 编码和解码
- 速率高达 10Mbps 的串行外设接口 (SPI)
- eUSCI_B0 支持
- 支持多个从器件寻址的 I2C
- 速率高达 8Mbps 的串行外设接口 (SPI)
- 硬件 UART 和 I2C 引导加载程序 (BSL)
- eUSCI_A0 和 eUSCI_A1 支持
- 灵活时钟系统
- 具有 10 个可选厂家调整频率的定频数控振荡器 (DCO)
- 低功率低频内部时钟源 (VLO)
- 32kHz 晶振 (LFXT)
- 高频晶振 (HFXT)
- 开发工具和软件
- 自由的专业开发环境 具有 EnergyTrace++™ 技术
- 开发套件 (MSP-TS430RGZ48C)
- 系列产品成员
- Section 3 汇总了可用器件变型和封装类型
- 要获得完整的模块说明,请见 《MSP430FR58xx,MSP430FR59xx,MSP430FR68xx 和 MSP430FR69xx 系列用户指南》 (SLAU367)
1.2 应用
- 计量
- 能量采集传感器节点
- 可穿戴电子产品
- 传感器管理
- 数据日志
产品说明
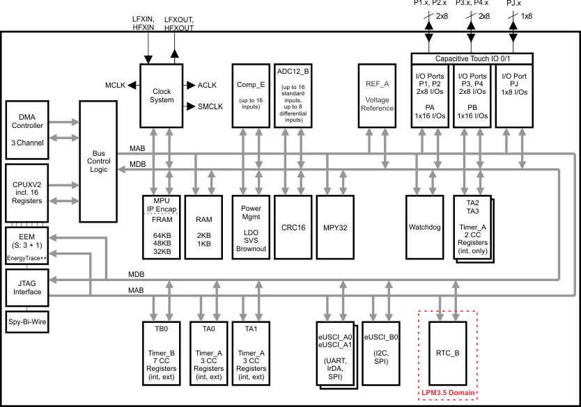
本示例中使用的 MSP430™ 超低功耗 (ULP) FRAM 平台将独特的嵌入式 FRAM 和整体超低功耗系统架构组合在一起,从而使得创新人员能够以较少的能源预算增加性能。 FRAM 技术以低很多的功耗将 SRAM 的速度、灵活性和耐久性与闪存的稳定性和可靠性组合在一起。
MSP430 ULP FRAM 产品组合由多种特有 FRAM 的器件集合,ULP 16 位 MSP430 CPU,和针对不同应用的智能外设组成。 ULP 架构特有 7 个低功耗模式,针对在能源受限应用中延长电池的使用寿命而进行了优化。
产品器件信息
| 器件型号 | 封装 | 封装尺寸(2) |
|---|---|---|
| MSP430FR5869RGZ | 超薄四方扁平无引线 (VQFN) (48) | 7mm x 7mm |
| MSP430FR5859RHA | 超薄四方扁平无引线 (VQFN) (40) | 6mm x 6mm |
| MSP430FR5859DA | 薄型小外形尺寸封装 (TSSOP) (38) | 12.5mm x 6.2mm |
下面可能是您感兴趣的TI公司超低功耗元器件


TI公司产品现货专家,订购TI公司产品不限最低起订量,TI产品大陆现货即时发货,香港库存3-5天发货,海外库存7-10天发货
寻找全球TI代理商现货货源 - TI公司(德州仪器)电子元件在线订购






