

SN54AHC273 - 具有清零功能的八路 D 类触发器
SN54AHC273是TI公司的一款D类触发器产品,SN54AHC273是具有清零功能的八路 D 类触发器,本页介绍了SN54AHC273的产品说明、应用、特性等,并给出了与SN54AHC273相关的TI元器件型号供参考。
SN54AHC273 - 具有清零功能的八路 D 类触发器 - D类触发器 - 触发器/锁存器/寄存器 - TI公司(Texas Instruments,德州仪器)
产品特性
- Operating Range 2-V to 5.5-V VCC
- Contain Eight Flip-Flops With Single-Rail Outputs
- Direct Clear Input
- Individual Data Input to Each Flip-Flop
- Latch-Up Performance Exceeds 250 mA Per JESD 17
- ESD Protection Exceeds JESD 22
- 2000-V Human-Body Model (A114-A)
- 1000-V Charged-Device Model (C101)
- On Products Compliant to MIL-PRF-38535, All Parameters Are Tested Unless Otherwise Noted. On All Other Products, Production Processing Does Not Necessarily Include Testing of All Parameters.
产品应用
- Buffers and Storage Registers
- Shift Registers
- Pattern Generators
- Servers
- PCs and Notebooks
- Network Switches
- Memory Systems
- Databases
产品说明
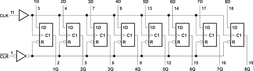
These devices are positive-edge-triggered D-type flip-flops with a direct clear (CLR) input.
Information at the data (D) inputs meeting the setup time requirements is transferred to the Q outputs on the positive-going edge of the clock (CLK) pulse. Clock triggering occurs at a particular voltage level and is not directly related to the transition time of the positive-going pulse. When CLK is at either the high or low level, the D input has no effect at the output.
产品器件信息
| PART NUMBER | PACKAGE | BODY SIZE (NOM) |
|---|---|---|
| SNx4AHC273 | PDIP (20) | 24.33 mm × 6.35 mm |
| SSOP (20) | 7.20 mm × 5.30 mm | |
| TSSOP (20) | 6.50 mm × 4.40 mm | |
| TVSOP (20) | 5.00 mm × 4.40 mm | |
| SOIC (20) | 12.80 mm × 7.50 mm |
下面可能是您感兴趣的TI公司D类触发器元器件


TI公司产品现货专家,订购TI公司产品不限最低起订量,TI产品大陆现货即时发货,香港库存3-5天发货,海外库存7-10天发货
寻找全球TI代理商现货货源 - TI公司(德州仪器)电子元件在线订购







