

SN74AVC4T774是TI公司的一款方向控制电压转换产品,SN74AVC4T774是具有可配置电压转换和三态输出的 4 位双电源总线收发器,本页介绍了SN74AVC4T774的产品说明、应用、特性等,并给出了与SN74AVC4T774相关的TI元器件型号供参考。
SN74AVC4T774 - 具有可配置电压转换和三态输出的 4 位双电源总线收发器 - 方向控制电压转换 - 电压电平转换 - TI公司(Texas Instruments,德州仪器)
- Each Channel Has an Independent DIR Control Input
- Control Inputs VIH/VIL Levels are Referenced to VCCA Voltage
- Fully Configurable Dual-Rail Design Allows Each Port to Operate Over the Full 1.2-V to 3.6-V Power-Supply Range
- I/Os are 4.6-V Tolerant
- Ioff Supports Partial Power-Down-Mode Operation
- Typical Data Rates
- 380 Mbps (1.8-V to 3.3-V Translation)
- 200 Mbps (<1.8-V to 3.3-V Translation)
- 200 Mbps (Translate to 2.5 V or 1.8 V)
- 150 Mbps (Translate to 1.5 V)
- 100 Mbps (Translate to 1.2 V)
- Latch-Up Performance Exceeds 100 mA Per JESD 78, Class II
- ESD Protection Exceeds the Following Levels (Tested Per JESD 22)
- ±8000-V Human-Body Model (A114-A)
- 250-V Machine Model (A115-A)
- ±1500-V Charged-Device Model (C101)
- Personal Electronic
- Industrial
- Enterprise
- Telecom
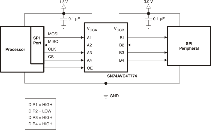
This 4-bit noninverting bus transceiver uses two separate configurable power-supply rails. The A port is designed to track VCCA. VCCA accepts any supply voltage from 1.2 V to 3.6 V. The B port is designed to track VCCB. VCCB accepts any supply voltage from 1.2 to 3.6 V. The SN74AVC4T774 is optimized to operate with VCCA/VCCB set at 1.4 V to 3.6 V. It is operational with VCCA/VCCB as low as 1.2 V. This allows for universal low-voltage bi-directional translation between any of the 1.2-V, 1.5-V, 1.8-V, 2.5-V, and 3.3-V voltage nodes.
The SN74AVC4T774 is designed for asynchronous communication between data buses. The logic levels of the direction-control (DIR) input and the output-enable (OE) input activate either the B-port outputs or the A-port outputs or place both output ports in the high-impedance mode. The device transmits data from the A bus to the B bus when the B outputs are activated, and from the B bus to the A bus when the A outputs are activated. The input circuitry on both A and B ports is always active and must have a logic HIGH or LOW level applied to prevent excess ICC and ICCZ.
| PART NUMBER | PACKAGE | BODY SIZE (NOM) |
|---|---|---|
| SN74AVC4T774 | TSSOP (16) | 5.00 mm × 4.40 mm |
| VQFN (16) | 4.00 mm × 3.50 mm | |
| UQFN (16) | 2.60 mm × 1.80 mm |








