

TLC59582是TI公司的一款标牌/线性产品,TLC59582是48 通道、16 位 ES-PWM LED 驱动器,具有预充电 FET、LOD Caterpillar 和,本页介绍了TLC59582的产品说明、应用、特性等,并给出了与TLC59582相关的TI元器件型号供参考。
TLC59582 - 48 通道、16 位 ES-PWM LED 驱动器,具有预充电 FET、LOD Caterpillar 和 - 标牌/线性 - LED驱动器 - TI公司(Texas Instruments,德州仪器)
- 48 Constant-Current Sink Output Channels
- Sink Current Capability with Max BC/CC data:
- 25 mA at 5 VCC
- 20 mA at 3.3 VCC
- Global Brightness Control (BC): 3-Bit (8-Step)
- Color Brightness Control (CC) for Each Color Group: 9-Bit (512-Step), Three Groups
- LED Power Supply Voltage Up To 10 V
- VCC = 3.0 V to 5.5 V
- Constant Current Accuracy
- Channel-to-Channel = ±1%(Typ), ±3%(Max)
- Device-to-Device = ±1%(Typ), ±2%(Max)
- Data Transfer Rate: 25 MHz
- Gray Scale Clock: 33 MHz
- Pre-Charge FET to Avoid Ghosting Phenomenon
- Enhanced Circuit for Caterpillar Cancelling
- Low-Grayscale Enhancement
- LED Open Detection (LOD)
- Thermal Shut Down (TSD)
- Operating Temperature: –40°C to 85°C
- LED Video Displays with Multiplexing System
- LED Signboards with Multiplexing system
- High Refresh Rate & High Density LED Panel
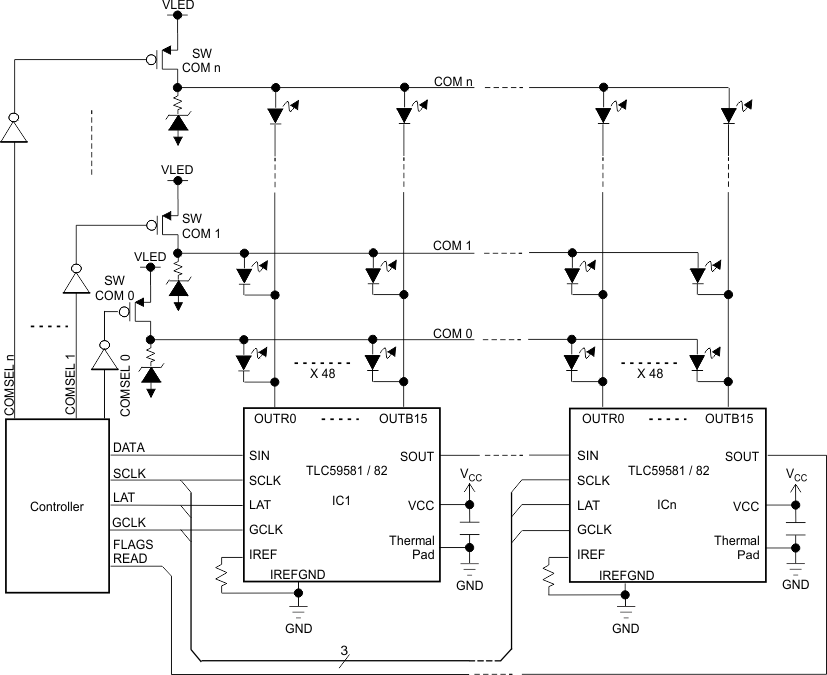
The TLC59581/82are 48-channel constant-current sink drivers. Each channel has an individually-adjustable, 65536-step, pulse width modulation (PWM) grayscale (GS) brightness control.
The TLC59581 can support 32-multiplexing while TLC59582 can support 16-multiplexing.
The output channels are divided into three groups. Each group has a 512-step color brightness control (CC). CC adjusts brightness control between colors. The maximum current value of all 48 channels can be set by 8-step global brightness control (BC). BC adjusts brightness deviation between LED drivers. GS, CC and BC data are accessible through a serial interface port.
See application note Build High Density, High Refresh Rate, Multiplexing LED Panel with TLC59581, SLVA744.
| PART NUMBER | PACKAGE | BODY SIZE (NOM) |
|---|---|---|
| TLC59581 | VQFN (56) | 8.00 mm × 8.00 mm |
| TLC59582 |








