

INA204是TI公司的一款电流分流比较器产品,INA204是具有双路比较器和基准电压的 80V、低侧/高侧、高速、电压输出电流分流监控器,本页介绍了INA204的产品说明、应用、特性等,并给出了与INA204相关的TI元器件型号供参考。
INA204 - 具有双路比较器和基准电压的 80V、低侧/高侧、高速、电压输出电流分流监控器 - 电流分流比较器 - 电流感应放大器 - TI公司(Texas Instruments,德州仪器)
- Complete Current Sense Solution
- Three Gain Options Available:
- INA203 = 20 V/V
- INA204 = 50 V/V
- INA205 = 100 V/V
- Dual Comparators:
- Comparator 1 With Latch
- Comparator 2 With Optional Delay
- Common-Mode Range: –16 V to 80 V
- High Accuracy: 3.5% (Maximum) Over Temperature
- Bandwidth: 500 kHz
- Quiescent Current: 1.8 mA
- Packages: SO-14, TSSOP-14, VSSOP-10
- Notebook Computers
- Cell Phones
- Telecom Equipment
- Automotive
- Power Management
- Battery Chargers
- Welding Equipment
SPACE
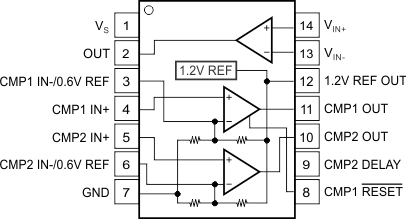
The INA203, INA204, and INA205 are a family of unidirectional current-shunt monitors with voltage output, dual comparators, and voltage reference. The INA203, INA204, and INA205 can sense drops across shunts at common-mode voltages from –16 V to 80 V. The INA203, INA204, and INA205 are available with three output voltage scales: 20 V/V, 50 V/V, and 100 V/V, with up to 500-kHz bandwidth.
The INA203, INA204, and INA205 also incorporate two open-drain comparators with internal 0.6-V references. On 14-pin versions, the comparator references can be overridden by external inputs. Comparator 1 includes a latching capability, and Comparator 2 has a user-programmable delay. 14-pin versions also provide a 1.2-V reference output.
The INA203, INA204, and INA205 operate from a single 2.7-V to 18-V supply. They are specified over the extended operating temperature range of –40°C to 125°C.
| PART NUMBER | PACKAGE | BODY SIZE (NOM) |
|---|---|---|
| INA203, INA204, INA205 | SOIC (14) | 8.65 mm × 3.91 mm |
| VSSOP (10) | 3.00 mm × 3.00 mm | |
| TSSOP (14) | 5.00 mm × 4.40 mm |








