

LM3648 - LM3648 具有 1.5A 高侧电流源的同步升压 LED 闪存驱动器
LM3648是TI公司的一款相机闪光灯LED驱动器产品,LM3648是LM3648 具有 1.5A 高侧电流源的同步升压 LED 闪存驱动器,本页介绍了LM3648的产品说明、应用、特性等,并给出了与LM3648相关的TI元器件型号供参考。
LM3648 - LM3648 具有 1.5A 高侧电流源的同步升压 LED 闪存驱动器 - 相机闪光灯LED驱动器 - LED驱动器 - TI公司(Texas Instruments,德州仪器)
产品特性
- 1.5A LED 电流源可编程性
- 精确的可编程 LED 电流范围为 1.954mA 至 1.5A
- 优化了低电池电压条件下的闪存 LED 电流(输入电压闪存监控器 (IVFM))
- 在火炬模式 (@ 100mA) 和闪存模式(@1A 至 1.5A)下效率超过 85%
- 支持阴极接地 LED 操作,改进了热管理
- 小型解决方案尺寸:< 16mm2
- 硬件选通使能 (STROBE)
- 射频功率放大器脉冲事件的同步输入 (TX)
- 硬件火炬使能 (TORCH/TEMP)
- 远程 NTC 监控 (TORCH/TEMP)
- 400kHz I2C 兼容接口
- LM3648(I2C 地址 = 0x63)
产品应用
可拍照手机白色 LED 闪光灯
产品说明
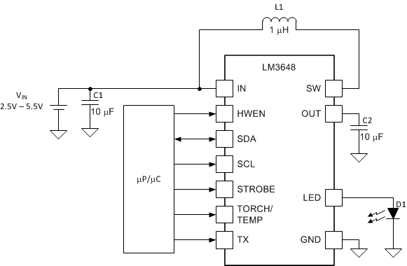
LM3648 是一款 LED 闪光灯驱动器,其采用小型解决方案尺寸,并且具备更强的适应能力。 LM3648 采用 2MHz 或 4MHz 固定频率的同步升压转换器为 1.5A LED 恒流源供电。 自适应调节方法确保电流源保持可调节状态,并且最大限度地提高效率。
LM3648 的功能通过 I2C 兼容接口进行控制。 其功能包括:硬件闪光灯和硬件手电筒引脚(STROBE 和 TORCH/TEMP)、TX 中断以及 NTC 热敏电阻监视器。 该器件在闪光灯模式下可提供 64 种电流,在摄像模式(手电筒)下可提供 128 种电流。
而且还提供有 2MHz 或 4MHz 开关频率选项、过压保护 (OVP) 功能以及可调限流功能,允许使用微型、超薄的电感器和 (10μF) 陶瓷电容。 该器件的工作环境温度范围为 -40°C 至 85°C。
产品器件信息
| 器件型号 | 封装 | 封装尺寸(最大值) |
|---|---|---|
| LM3648 | 芯片级球状引脚栅格阵列 (DSBGA) (12) | 1.69mm x 1.31mm |
下面可能是您感兴趣的TI公司相机闪光灯LED驱动器元器件


TI公司产品现货专家,订购TI公司产品不限最低起订量,TI产品大陆现货即时发货,香港库存3-5天发货,海外库存7-10天发货
寻找全球TI代理商现货货源 - TI公司(德州仪器)电子元件在线订购






